MGZ3K32207-107197-07
Can't find what you're looking for? Go to the Product Selector
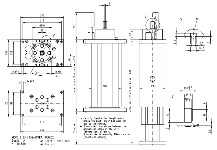
升降柱, Z3, 滾珠絲桿 Drive, 棱柱 Guide, 無電機, 90 毫米 Stroke, 20 毫米 Travel Per Shaft Rev, 7500 N, 833.33 Maximum Linear Speed
- Thomson 升降柱與Thomson業界領先的直線執行器系列一樣,在設計方面都體現出同樣的精心和專業。它們具有節省空間、現代化設計、高性能以及安全運行的特點。LC系列的終生免維護、易于安裝和輕巧設計的特點,使其成為家庭、醫療和工作場所應用的首選。
- 現代化、美觀的外型設計。無需保護罩或蓋板。
- 高負載能力,運行平穩安靜。
- 卓越的擴展回縮率。
